首页
关于我们
产品介绍
产品应用
新闻发布
技术研发
联系我们
传感器
防水热缩端子
尼龙绝缘端子
PVC冷压端子
裸端子
铜鼻子
接线端子排
航空插头
快速接线端子
开关、灯
线束
压接钳
传感器
传感器
当前位置:
首页
>
产品介绍
>
传感器
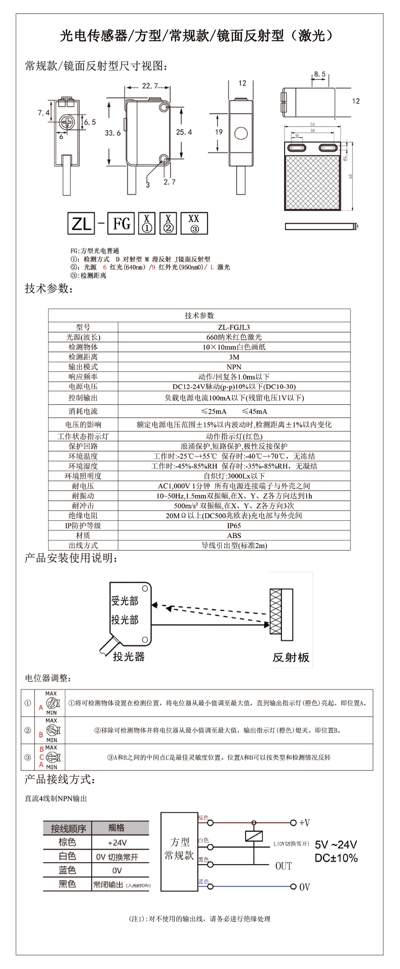
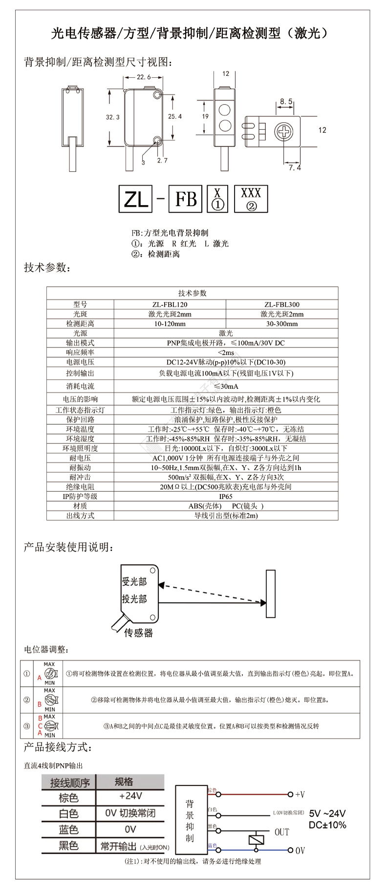
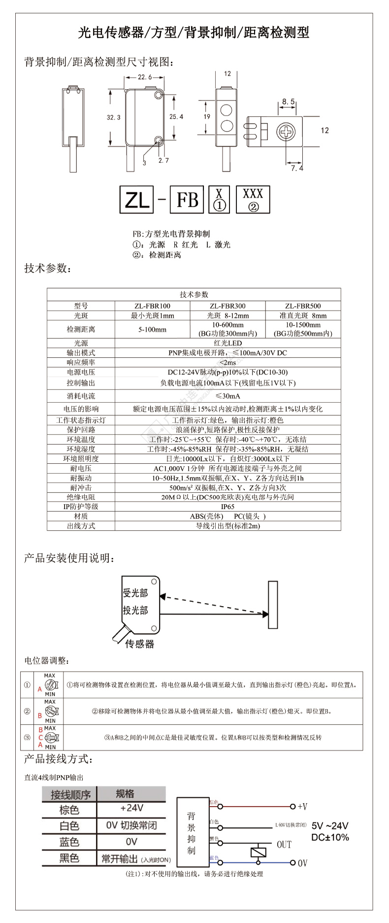
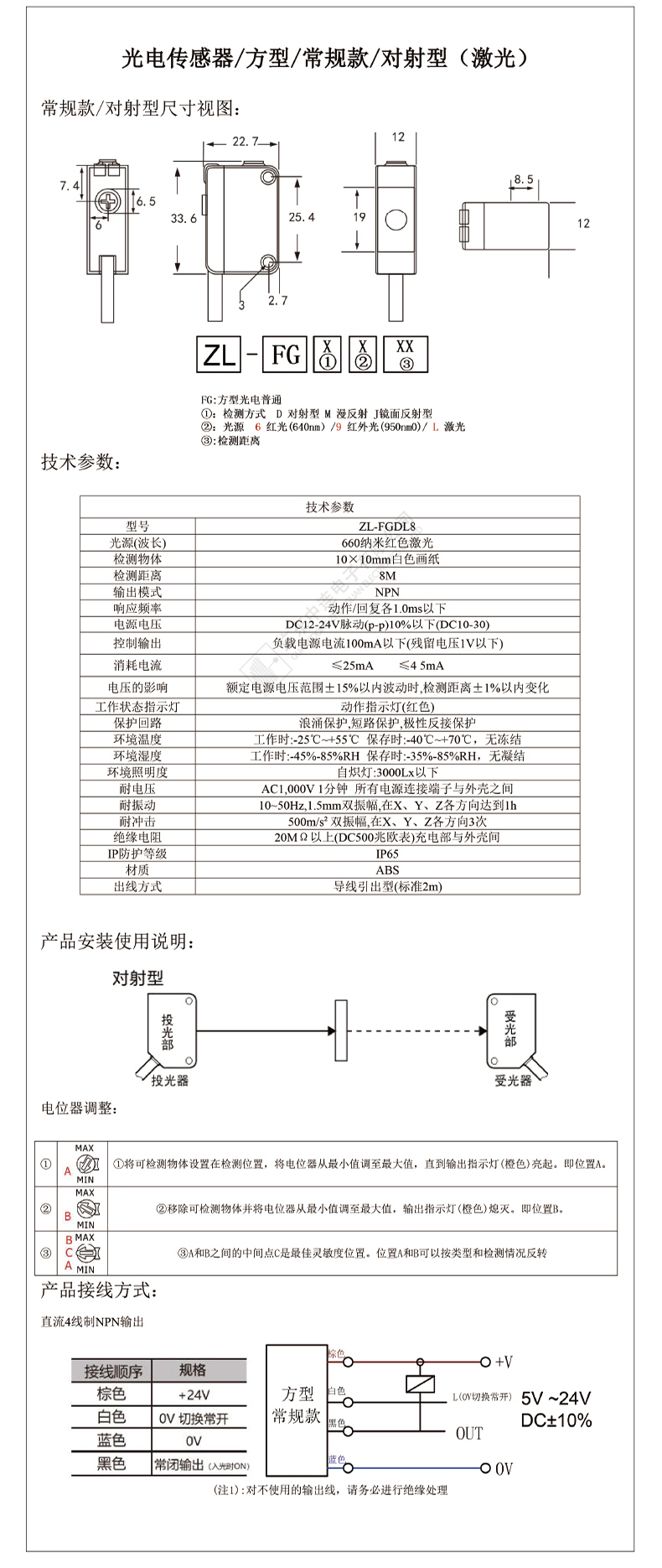
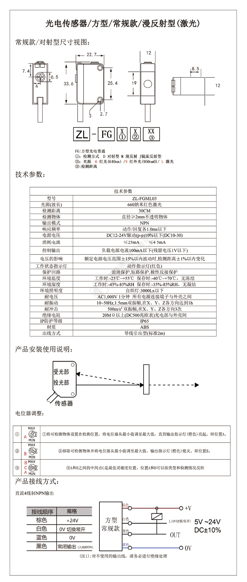
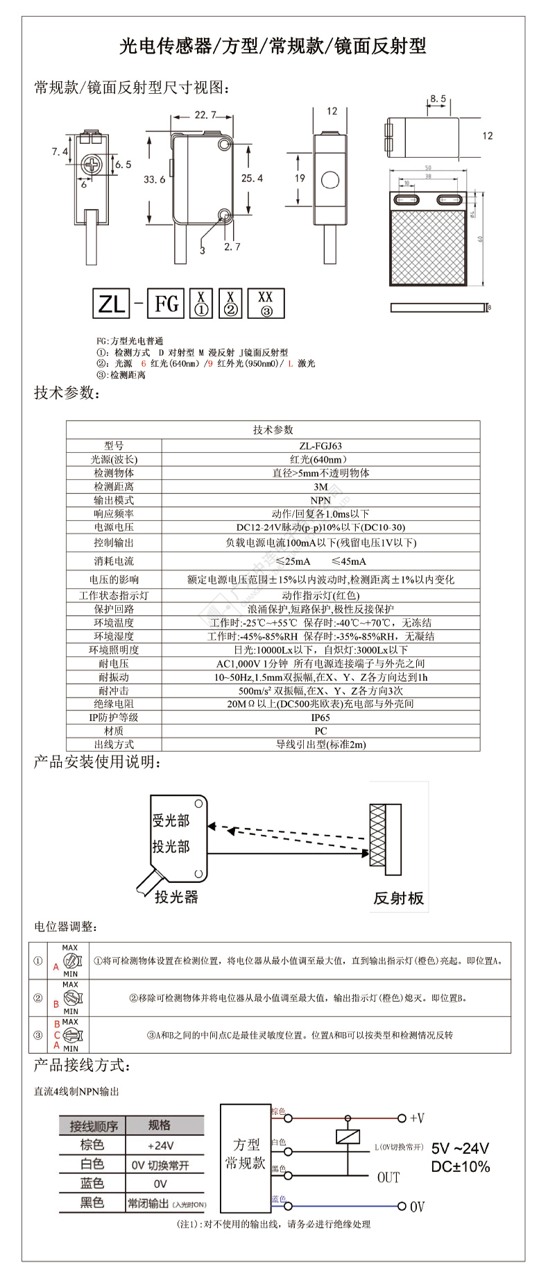
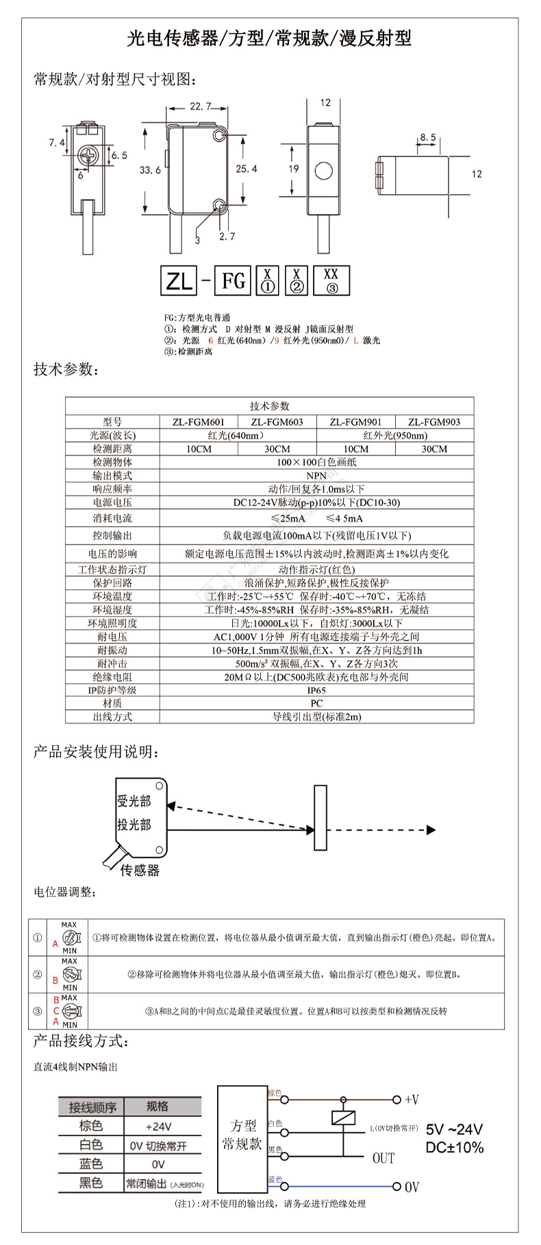
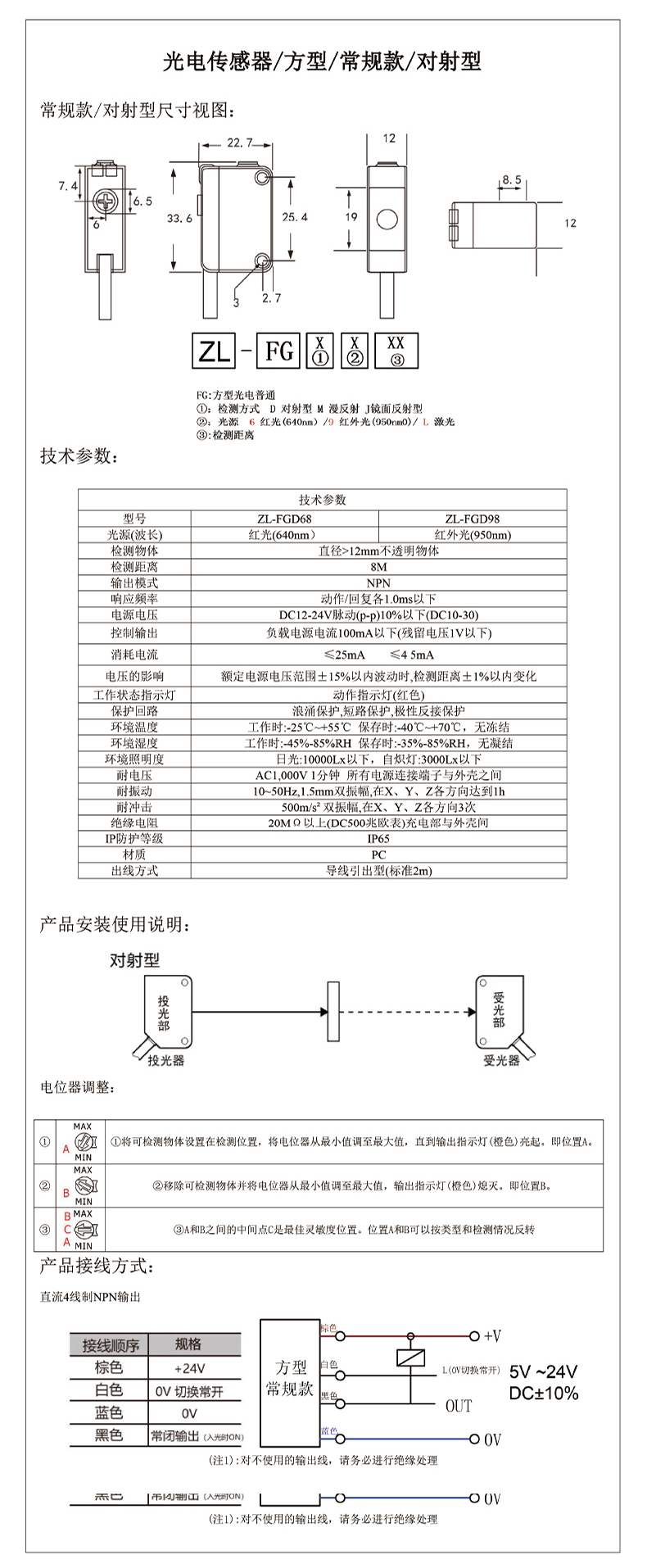
光电传感器-方型与超薄型
商品编号:
线芯材质:
护套材质:
额定电压:
试验电压:
温度范围:
颜色:
阻燃:
马上咨询
产品详情
线PVC材质.耐弯折.传输快.感应灵敏.坚固外壳.耐冲击.不易变形。
上一篇:
磁性传感器
下一篇:没有了!
电话咨询
在线咨询
关于我们
在线咨询
售前咨询专员
售后服务专员
在线咨询
免费通话
24小时免费咨询
请输入您的联系电话,座机请加区号
免费通话
免费通话
微信扫一扫
微信联系
返回顶部